Advertisement Advertisement



ANAPACKAGE SERIE HT – FILTRO PERCOLATORE ANAEROBICO

Impianto su filtro Percolatore anaerobico

Campo di impiego

Sistemi di recupero acqua piovana e apparecchiature di trattamento e depurazione

Descrizione del prodotto

ANAPACKAGE serie HT è un impianto su filtro Percolatore anaerobico in polietilene per il trattamento dei reflui provenienti da utenze civili.

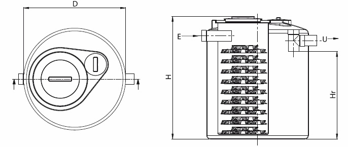
Dettaglio di Anapackage HT

Nell’allestimento completo l’impianto è composto da un degrassatore in polietilene monoblocco per il pre-trattamento delle acque grigie, da una biologica Imhoff per il pre-trattamento delle acque nere e dal filtro percolatore anaerobico che completa la depurazione dei liquami per la successiva adduzione in idoneo recapito finale.

COMPONENTI:

DEGRASSATORE consente di trattenere grassi, olii e altro materiale flottante dannoso per il corretto svolgimento del processo biologico successivo.

BIOLOGICA IMHOFF effettua una prima riduzione del carico organico dei reflui, operando anche la digestione dei fanghi prodotti.

FILTRO PERCOLATORE ANAEROBICO opportunamente riempito di elementi in polipropilene ad elevata superficie specifica, per facilitare la formazione della flora batterica che effettua la depurazione dei liquami.

INSTALLAZIONE:

SCAVO
Realizzare lo scavo di dimensioni adeguate. Stendere sul fondo dello scavo uno strato di sabbia o altro inerte pezzatura da 0 a 5 mm dello spessore di 10 cm. Inumidite la sabbia.

RACCORDI
Raccordare l’uscita del Filtro Percolatore Anaerobico ad una cameretta di ispezione con un tubo in PVC di. Raccordare le uscite del Degrassatore e della Biologica Imhoff all’ingresso del Filtro Percolatore Anaerobico con un tubo in PVC diametro. Raccordare lo scarico delle acque grigie al Degrassatore e lo scarico delle acque nere alla Biologica Imhoff con tubi in polipropilene o in PVC diametro.

RIEMPIMENTO
Riempire i manufatti di acqua pulita al fine di avviare correttamente il processo biologico.

RINFIANCO E RIFINITURA
Procedere al rinfianco con sabbia umida o altro inerte da 0 a 5 mm. Rifinire la sommità del rinfianco con uno strato di terreno vegetale spessore max 40 cm, avendo cura di realizzare prima una soletta in CLS alleggerito spessore 5 cm, posizionando dei pozzetti di ispezione in prossimità dei coperchi a vite. Nel caso vi sia carrabilità, realizzate una soletta in conglomerato cementizio armato.

UTILIZZO:

CONTROLLO E MANUTENZIONE
Verificare che l’installazione venga effettuata come prescritto a regola d’arte. Controllare periodicamente che il livello del materiale nel percolatore rimanga costante. Per Degrassatore e Biologica Imhoff fare riferimento alle relative schede. Per il Filtro Percolatore Anaerobico è buona norma effettuare un’operazione di pulizia del filtro almeno una volta all’anno, lavando il materiale accumulatosi all’interno con acqua in pressione, alla presenza di un autospurgo.

DATI TECNICI:

tabella_dati_tecnici

UTENZA da 5 a 100 abitanti equivalenti

Scarica la scheda tecnica del prodotto

Scarica il manuale di interro e uso manufatti PVC

ANAPACKAGE SERIE HT - FILTRO PERCOLATORE ANAEROBICO
ANAPACKAGE SERIE HT - FILTRO PERCOLATORE ANAEROBICO 1

ANAPACKAGE SERIE HT - FILTRO PERCOLATORE ANAEROBICO
ANAPACKAGE SERIE HT - FILTRO PERCOLATORE ANAEROBICO 2

ANAPACKAGE SERIE HT - FILTRO PERCOLATORE ANAEROBICO
ANAPACKAGE SERIE HT - FILTRO PERCOLATORE ANAEROBICO 3

ANAPACKAGE SERIE HT - FILTRO PERCOLATORE ANAEROBICO
ANAPACKAGE SERIE HT - FILTRO PERCOLATORE ANAEROBICO 4

Consiglia questo prodotto ai tuoi amici

 

Richiedi informazioni a REDI su ANAPACKAGE SERIE HT – FILTRO PERCOLATORE ANAEROBICO

Compila il modulo per ricevere maggiori informazioni sul prodotto o per un preventivo personalizzato. La tua richiesta verrà trasmessa direttamente agli uffici commerciali del produttore.

Cliccando sul tasto Invia dichiaro di aver letto ed accettato le limitazioni del servizio e l'informativa sulla privacy

* Il campo è obbligatorio



Altri prodotti

Approfondimenti

Notizie

Recuperare le acque piovane

Evitare sprechi e risparmiare utilizzando una risorsa importante come l’acqua piovana. L’acqua è un bene prezioso, ...

Comunicati

Focus prodotti

La linea prodotti è inerente alle seguenti categorie

Drenaggio, depurazione e convogliamento acque


DEM inviate dall'azienda